Elektronische Längenmessgeräte zurück vor Diese Seite ausdrucken

Kalibrierung
siehe 900000
GT 42 GT 44
GT 41
GT 43
GT 41 GT 42 GT 43 GT 44
Normalausführung:
Artikel-Nr
Ausführung
Messbereich
mm
Anzeigebereich
mm
Kabel-
ausgang
Messbolzen-
abhebung
N*
Wiederhol-
grenze
µm
Fehlergrenze
(L in mm)
µm**
Preis in €/
netto
7033041 GT 41 ± 0,3 0,7 axial keine 0,63 0,01 0,2 + 5 · L2 659,00
7033042 GT 42 ± 0,3 0,7 radial Vakuum 0,63 0,01 0,2 + 5 · L2 689,00
7033043 GT 43 ± 1 2,1 axial mechanisch 0,4 0,1 0,2 + 5 · L2 586,00
7033044 GT 44 ± 1 2,1 radial Vakuum 0,4 0,1 0,2 + 5 · L2 593,00
 
zurück vor

70-8 günter ballbach messzeuge GmbH & Co. KG 07453 / 9475-0 07453 / 9475-99 2026
7033 Kleinmesstaster
Präzisions-Längenmesstaster mit minimalem Platzbedarf.
Unempfi ndlich gegen Magnet- und Temperatureinfl üsse. Zylindrischer
Schaft-Ø 8 mm. Anschlusskabel 2 m.
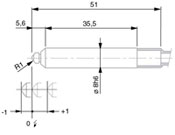
• GT 41: Kleintaster mit axialem Kabelausgang. Hermetisch abgedichtet
gegen das Eindringen von Flüssigkeiten. Messbolzen auf
Membranfedern aufgehängt.
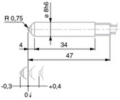
• GT 42: Gleiche Eigenschaften wie Taster GT 41, jedoch mit seitlichem
Kabelausgang und Anschlussmöglichkeit für pneumatische
Messbolzenabhebung
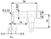
• GT 43: Kleintaster mit Gleitführung, Messeinsatz auswechselbar,
Anschlussgewinde M 2, Kabelausgang axial.
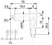
• GT 44: Kleintaster mit Gleitführung, Messeinsatz auswechselbar,
Anschlussgewinde M 2, Kabelausgang seitlich,
Anschlussmöglichkeit für pneumatische Messbolzenabhebung
*-
Nennwert für die Messkraft beim elektr. Nullpunkt,
Grenzwertabweichung ± 25%; gültig bei senkrecht stehender
Einbaulage mit nach unten zeigendem Messbolzen und bei
statischen Messungen
**-
Fehlergrenze für Linearitätsabweichungen (L in mm)
Datenblätter für alle Messtaster erhalten Sie auf Anforderung
Messtaster in DC-Ausführung auf Anfrage
Messtaster in LVDT-Ausführung auf Anfrage
Zubehör für elektronische Längenmesstaster siehe ab Nr. 7035001
Klemmschrauben VKD + Klemmhülse VKE siehe ab Nr. 7036001
Präzisions-Längenmesstaster mit minimalem Platzbedarf.
Unempfi ndlich gegen Magnet- und Temperatureinfl üsse. Zylindrischer
Schaft-Ø 8 mm. Anschlusskabel 2 m.
• GT 41: Kleintaster mit axialem Kabelausgang. Hermetisch abgedichtet
gegen das Eindringen von Flüssigkeiten. Messbolzen auf
Membranfedern aufgehängt.
• GT 42: Gleiche Eigenschaften wie Taster GT 41, jedoch mit seitlichem
Kabelausgang und Anschlussmöglichkeit für pneumatische
Messbolzenabhebung
• GT 43: Kleintaster mit Gleitführung, Messeinsatz auswechselbar,
Anschlussgewinde M 2, Kabelausgang axial.
• GT 44: Kleintaster mit Gleitführung, Messeinsatz auswechselbar,
Anschlussgewinde M 2, Kabelausgang seitlich,
Anschlussmöglichkeit für pneumatische Messbolzenabhebung
*-
Nennwert für die Messkraft beim elektr. Nullpunkt,
Grenzwertabweichung ± 25%; gültig bei senkrecht stehender
Einbaulage mit nach unten zeigendem Messbolzen und bei
statischen Messungen
**-
Fehlergrenze für Linearitätsabweichungen (L in mm)
Datenblätter für alle Messtaster erhalten Sie auf Anforderung
Messtaster in DC-Ausführung auf Anfrage
Messtaster in LVDT-Ausführung auf Anfrage
Zubehör für elektronische Längenmesstaster siehe ab Nr. 7035001
Klemmschrauben VKD + Klemmhülse VKE siehe ab Nr. 7036001